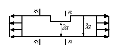
王老师:19139051760(拨打)复制微信 题目 更新时间:2024/4/12 如图所示矩形截面杆。杆的截面宽度沿杆长不变,杆的中段高度为,左右段高度为,在图示均布载荷的作用下,杆的截面m-m和n-n分别发生( )。·单轴拉伸,拉弯组合;·单轴拉伸,单轴拉伸;·拉弯组合,单轴拉伸;·拉弯组合,拉弯组合。 答案 登录 注册 单选题·单轴拉伸,拉弯组合; 出自:青书学堂 >> 佳木斯大学语言治疗学 佳木斯大学继续教育学院