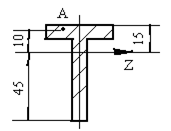
王老师:19139051760(拨打)复制微信 题目 更新时间:2024/4/12 梁的截面和尺寸如图,轴z为中性轴。已知A点的拉应力为,则该截面上最大的拉应力值为( )。·60 MPa;·180 MPa;·40 MPa;·120 MPa。 答案 登录 注册 单选题·60 MPa; 出自:青书学堂 >> 佳木斯大学语言治疗学 佳木斯大学继续教育学院