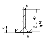
王老师:19139051760(拨打)复制微信 题目 更新时间:2024/4/12 梁的截面和尺寸如图所示,轴z为中性轴。已知A点的拉应力为,则该截面上B点的应力为( )。·- 60 MPa;·-180 MPa;·80 MPa;·120 MPa。 答案 登录 注册 单选题·-180 MPa; 出自:青书学堂 >> 佳木斯大学语言治疗学 佳木斯大学继续教育学院