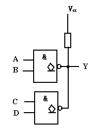
王老师:19139051760(拨打)复制微信 题目 更新时间:2024/2/26 下图所示电路中,其输出逻辑函数表达式Y=( )。···· 答案 登录 注册 单选题· 出自:青书学堂 >> 佳木斯大学语言治疗学 佳木斯大学继续教育学院